我们的主板上有两个很重要的芯片,分别叫北桥芯片组、南桥芯片组,它们的作用是什么呢?要知道早期的制造工艺相对粗糙,晶体管的数量相对偏少,因此曾经的处理器集成度较低,必须要由主板芯片组来承担大量功能,芯片组分为南桥芯片组和北桥芯片组两部分,其中的北桥负责CPU与内存的数据交换、图形处理、CPU与PCIE数据交换,南桥则负责系统的输入输出功能。
所以北桥芯片还有个名字叫“图形与内存控制器”,南桥叫“输入/输出控制器”。北桥芯片组因为与CPU联系密切所以它在主板靠近CPU的位置,而南桥芯片则在远离CPU的位置,所以我们是很好分辨北桥南桥的。
现在的CPU制造工艺越来越先进,集成度越来越高,内存控制器已被集成到CPU里,就连显卡也被收进CPU了(就是我们所说的核显),而PCIE控制器收归南桥管理了,因此北桥芯片组的功能被瓜分了,所以现在的Intel芯片组把北桥取消掉只剩南桥了,而AMD也只有早期的主板还保留着北桥和南桥。
因为北桥已经没有了所以我们所讲的芯片组就指的是南桥芯片组,南桥芯片组的功能是什么?它在整个电脑中起到什么作用呢?给大家详解一下吧。
讲之前先说下PCIE,PCIE是一种高速传输总线,它即是接口也是通道,既然这么快为什么不让所有的设备都使用这个接口或是总线呢?按理说这样电脑所有的设备能更快才对吧!
其实理论确实是这样,其主要问题还是受制于成本和市场,PCIE作为一种超高速串行总线为了达到飞快的速度因此他的频率设置的非常的高,而高频的总线对线路设计的要求是非常非常高的,所以PCIE总线对于主板的布线来说是一个非常大的考验!为了能装下这种高速总线不得不把主板做成多层用来解决高频总线带来的各种需要。比如X570为了能支持PCIE4.0华硕的主板起步都6层了!而且主板的的用料也比之前的X470提高了一大截,这也解释了为什么X570的主板比X470要贵出很多的原因了。
PCIE是直接连接在CPU的PCIE控制器上,所以才能保证它的延迟非常非常的低、速度非常非常的快。只是PCIE控制器能提供的PCIE通道的数量是有限度的,CPU同样也要考虑电路的设计成本,而我们电脑上有这么多的设备都要去走PCIE通道去连接CPU,这对主板的布线来说简直是一个地狱级的挑战!但是CPU也没有必要实时的去和所有的外围设备通信,这时候呢就需要有一个可能代替CPU与设备通信的角色,这个角色就是南桥芯片组。
南桥芯片组一般位于主板的右下角,一般来说用AMD的芯片组的主板会给南桥芯片组加装一个风扇用于散热,所以我们要找到它是很容易的。而Intel的芯片组发热相对较低通常不需要配备风扇而是在上面放置一块铝质散热鳍片用来帮助散热。
(Z390主板南桥芯片的位置)

南桥芯片组和CPU一样是一块硅芯片,它的作用就是帮助CPU与外围设备进行交互的,具体怎么做呢?在电脑里所有设备中内存对于速度要求是非常高的,所以内存是直接跟CPU对接的,同样对速度要求高的还有PCIE也是直接跟CPU对接。其它的设备比如声卡、网卡、固态硬盘、机械硬盘、USB等等这种对实时通讯要求不是很高的设备就全部接入南桥芯片组,南桥收集好了数据后再传输给CPU处理。这就是南桥芯片组的工作原理。
附一张Intel官网提供的Z390芯片组的结构图,因为是英文的我就给注释了一下,如果想看其它的大家可以去官网下载。

看了结构图大家有没有发现一个问题,直连CPU的PCIE3.0通道一共有16条,插法分别是X16/X8+X8/X8+X4+X4,目前的显卡基本都是PCIE X16的,一个显卡就把直连CPU的16条通道全占满了,这时候如果再插一个M.2 PCIE X4的固态的话它跟显卡会不会抢带宽呢?我可以肯定是告诉大家M.2和显卡使用的PCIE通道不是共享的,因为M.2用的PCIE通道不是直连CPU的,M.2用的是来自南桥芯片组的24条非直连的PCIE3.0通道。所以显卡和M.2一个是用的CPU的PCIE一个是用的南桥的PCIE是一点也不冲突的。
回到Intel的结构图上,在CPU与南桥之间是通过DMI3.0总线来连接的,这个总线其实就是PCIE3.0X4,而在AMD是结构图上就直接标上PCIE了,也就是说CPU和南桥之间的数据带宽上限就是PCIE3.0X4(4Gb/S),这也就解释了为什么市场上的固态硬盘包括M.2接口的基本用的是PCIE3.0X4的总线了,因为M.2是用的南桥的PCIE通道所以它的速度是不可能超过CPU和南桥之间的带宽的。也就是说所有连接到南桥的设备其速度都无法超过4GB/S,所以当前最快的民用M.2固态硬盘970PRO顺序读写也只能卡在3.6GB/S左右,无法突破4GB/S。
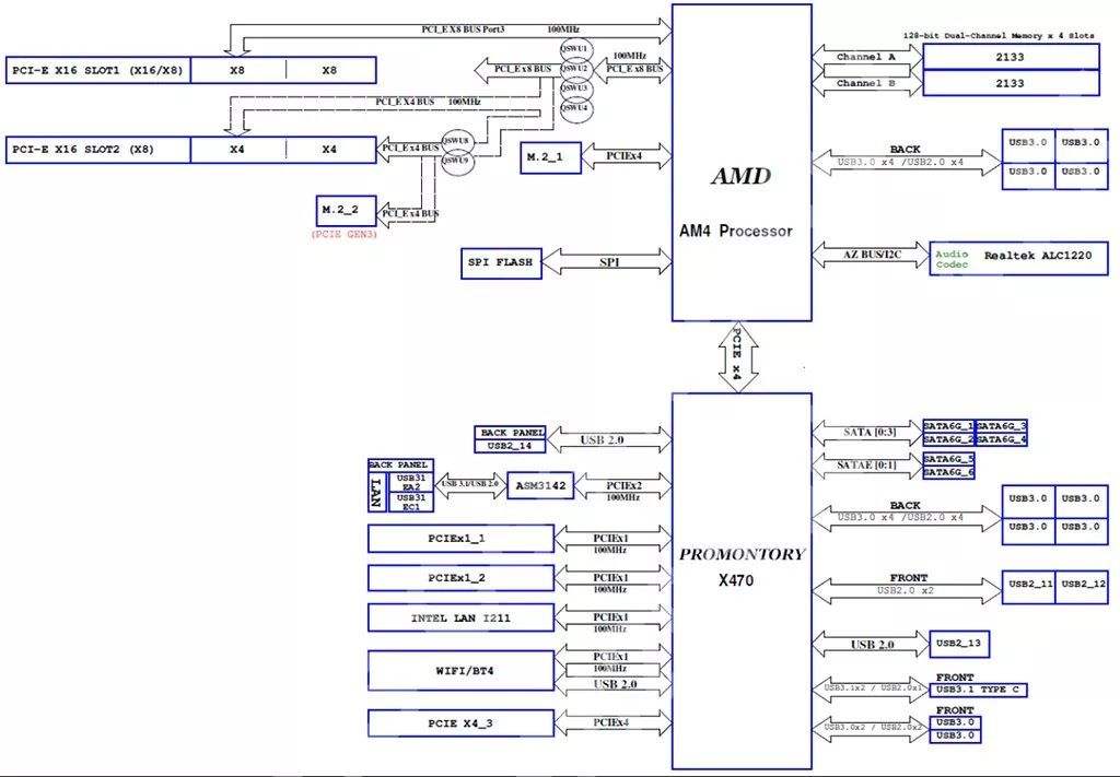
(AMD主板结构图)

有的人可能会有疑问,在Intel的架构图上明明可以清楚看到南桥芯片有24条非直连的PCIE3.0通道,为什么CPU与南桥之间只开放PCIE3.0X4这么小的通道呢?这是因为连接到南桥的所有设备一般来说很难做到全部同时工作,多数情况下只有一两个设备在传输,即便好几个设备同时从南桥往CPU传输数据这几个设备也不可能同时都是满载状态。虽然只有PCIE3.0X4的速度,但是南桥上的设备同时满载的时候是非常少的,以目前的情况来看是完全够用了。
讲了这么多相信大家对南桥芯片组在电脑中起到什么作用已经明白了吧。
版权声明:本文内容由互联网用户自发贡献,该文观点仅代表作者本人。本站仅提供信息存储空间服务,不拥有所有权,不承担相关法律责任。如发现本站有涉嫌抄袭侵权/违法违规的内容, 请发送邮件至 举报,一经查实,本站将立刻删除。
