【型号】:iphone6p
【故障现象】:触屏失灵,触屏不能用
多点触摸处理芯片MESON(U2402)原理如图所示:

【维修分析】:
紫色标示内为U2402芯片供电部分:
1、PP1V8供电由电源IC提供,开机即可测到。
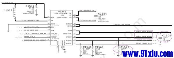
2、PN5V7_SAGE_AVDDN和PP5V7_SAGE_AVDDH两路供电,则是由芯片U1501输出。
【无触摸的检修思路】:
遇到无触摸的故障,可以测量PN5V7_SAGE_AVDDN和PP5V7_SAGE_AVDDH有无电压输出,在C1504电容可以测量到负5.7V电压(PN5V7_SAGE_AVDDN),在电容C1577可测量到正5.7V电压(PP5V7_SAGE_AVDDH)。
原理如图所示:

测量点在主板上的位置:

如果没有此两路电压,检查U1501的工作条件,PP_VCC_mAIN为U1501提供供电,一般能开机此路电压都为正常,在实际维修中多数为L1519电感与U1501芯片本身虚焊或损坏。
U1501与L1519在主板上的位置:

如下图所示,红色标示内为触摸屏与U2402的通讯接口,分别为:TOUCH_TO_SAGE_SENSE_IN(输入)、SAGE_TO_TOUCH_VSTM_OUT(输出)部分。
绿色标示:在触屏和U2402芯片通讯后,处理过的信号再经此接口(SAGE_TO_CUMULUS_IN)传输给到触摸主控芯片U2401进行处理。

U2402芯片的升压部分如图所示:图中红色部分来自U2401发出的EN(开启)信号,开启U2402芯片的升压。蓝色标示部分则为U2402升压电路外围调整部分。

维修无触摸的故障要注意以下几个重要元件:
C2438和C2407钽电解电容,原理如图所示:

还有L2401升压电路关键线圈,这几个元件损坏都会导致触摸失灵的故障。

上述元件在主板上的位置:

触摸主控芯片U2401电路如图所示:供电部分在C2402可以测量到5.1V的供电,C2403上可以测量到1.8V的供电。
可以看出U2401芯片的供电为两路:
1、PP5V1_GRAPE_VDDH:来自芯片U1501的A1脚。
2、PP1V8_GRAPE:来自电源芯片U1202的P6脚。

上述元件在主板上的位置:

红色框内为U2401的通讯部分,红色框内的触摸处理信号来自U2402芯片。

U2401的信号传输和控制部分如图所示:

紫色标示内:U2401和主CPU进行通讯的SPI接口,主要参与U2401芯片的检测及处理后的触摸数据给到CPU。
红色标示内: D1脚是U2401芯片的时钟信号,D9脚是触摸芯片U2401的复位信号。
蓝色标示内:是来自U2403第6脚输出的BSYNC(同步)信号,此信号丢失会导致触摸完全失灵。

维修时先查其工作条件,PP1V8_GRAPE(1.8V)在电阻R2407上可以测量到,CPU检测到触摸芯片后,控制电源IC输出此电压,没有此电压排除电源IC后,查下图中红色框内的7组信号,如图所示:


版权声明:本文内容由互联网用户自发贡献,该文观点仅代表作者本人。本站仅提供信息存储空间服务,不拥有所有权,不承担相关法律责任。如发现本站有涉嫌抄袭侵权/违法违规的内容, 请发送邮件至 举报,一经查实,本站将立刻删除。
