
因为喜欢,所以钻研。作为火腿肠的忠实拥趸,曾经的小编只是从价格上区分火腿肠等级,不曾深入研究,对于包装上的特级、优级、无淀粉等专业名词一知半解,后来偶然看到一篇火腿肠评测的专业文章才晓得一根火腿肠中竟也有诸多学问。
关于火腿肠淀粉含量
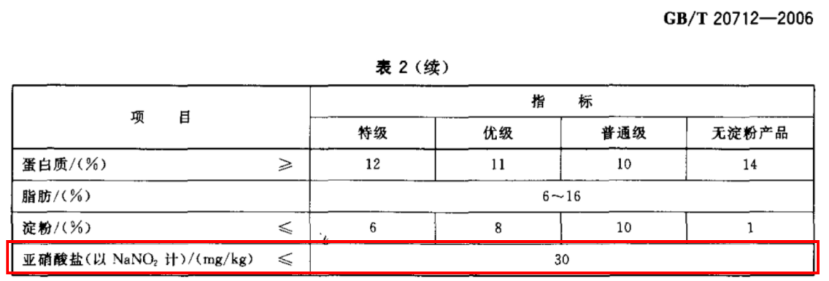
很多人说,无淀粉火腿肠就是最好的,是没有一点淀粉的。其实,这话只说对了一半。无淀粉确实是火腿肠中质量等级最高的,但并非是一点淀粉都没有。小编了解到,国家推荐性标准《火腿肠》(GB/T 20712—2006)依据淀粉含量将火腿肠分为四个等级,其中最高级别为”无淀粉产品”,淀粉含量要求不超过1%,无淀粉火腿肠代表了火腿肠的最高工艺。”金锣无淀粉王中王”就是满足这样标准的王牌产品,具有口感好、品质佳、营养丰富的特点,已成为当下最受欢迎的火腿肠系列。

关于火腿肠脂肪含量
当下,随着健康饮食观念的不断深入,人们对于”低脂””营养”的饮食结构愈加重视,火腿肠也推出了主打”低脂””高蛋白”的产品,比如金锣健食力低脂香肠。
在《火腿肠》国标中规定,所有火腿肠脂肪含量应控制在6~16%之间,而金锣健食力则通过三重去脂工艺将脂肪含量降低到3%,对比同品牌普通香肠脂肪含量降低60%以上。而且,金锣健食力的蛋白质含量也很丰富,每100克火腿肠中含有14.5克蛋白质,是很多健身和塑身人士优先Pick的肉制品。

关于火腿肠亚硝酸盐含量
火腿肠中加入亚硝酸盐的主要目的是对付肉毒杆菌,根据专业机构检测,目前市面上各大品牌的火腿肠中亚硝酸盐的残留量均远低于国家标准(30mg/kg),是可以放心食用的安全产品。

火腿肠作为一款老少咸宜的肉制品美食,伴随着工艺进步,其品类愈发丰富,品质也更加提升,就像小编中意多年的金锣火腿肠不仅有大众常吃的肉粒多、无淀粉,还有主打休闲消费的得乐食和台式小烤肠等,每一款都让人欲罢不能。希望商家再接再厉,推出更多优质火腿肠产品,满足要健康又要吃肉的肉食控。
版权声明:本文内容由互联网用户自发贡献,该文观点仅代表作者本人。本站仅提供信息存储空间服务,不拥有所有权,不承担相关法律责任。如发现本站有涉嫌抄袭侵权/违法违规的内容, 请发送邮件至 举报,一经查实,本站将立刻删除。
