大家在画电路原理图时,特别是初学者是不是习惯于使用PCB设计软件自带的原理图设计工具来画原理图。
全世界目前在用的PCB的EDA软件应该有十种以上,但我们都知道目前国内PCB设计软件目前主要是AD(前生是protel99se)、PADS、ALLEGRO等使用最多,他们平台都自带了原理图设计软件,他们之间也是独立的,常规情况下AD的原理图并不能在PADS中打开使用,反之PADS的原理图也无法在AD中使用。
所以有时初学者面对这些问题会比较纠结,甚至包括很多从事了一段时间的电路硬件工程师也没有稳定下来某种原理图设计工具,可能都会一点,但是用的并不是特别得心应手, 这其实就容易带来来几个问题:
1、元件库的问题,好不容易自己建立的元件库,换了个平台就不能用,要重新画,那真是累人累心。
2、没有跟进行业巨头的步伐,还在使用都受众范围小的工具,也不利于相关交流。
人的精力是有限的,不可能所有软件去学习,也没有必要,因为只是一个工具而已,最好花有限的精力在一个技能上深耕,当然我们也不能随便选一个工具就具用,至少要选一个针对性广,功能强的工具作为未来的主要生产力工具。所以选择哪个合适的工具是重点。

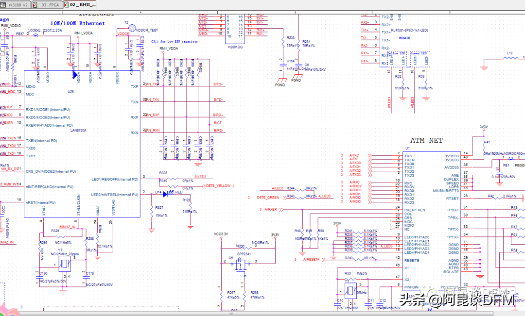
网络流传的苹果IPHONE4手机的原理图。
在这里我根据自己的使用和了解,我在这里给大家推荐原理图工具是
candence公司的ORCAD原理图工具,既OrCAD /Capture CIS。
orcad的原理图设计部分 capture CIS被业界视为最优秀的原理图工具,所画的原理图能符合国际标准,并被所有EDA兼容使用。界面好看,易上手,操作方便,欧美地区有相当数量的电子工程师都在使用。
AD、PADS、ORCAD 三种原理图工具我都有使用过,大概描述下:
AD应该是绝大部分学PCB人的入门软件,他的原理图从界面、色调到操作都是中规中矩,只能说还行吧!

PADS是我感觉最丑的,界面看着最难受(包括PCB设计),颜色不鲜艳,层次不分明(仅个人感觉)

而ORCAD不管从界面、色彩、元件图形、到管理我个人认为是最优的。

看着就很清爽、鲜明。包括库文件的建设、管理等也是非常方便。
层次原理图的建设也特别好用。



但其实在原理图设计上,ORCAD因为更规范、标准、专业、画出来的原理图也会显得特别专业好看。
所以原理图设计工具只要会 ORCAD这一种就可以了,支持的 Netlist网络表非常多,可加载到几乎所有PCB软件中使用。
其实很多大公司的工程师在设计PCB时,原理图都是使用ORCAD来设计,再使用AD、PADS、或ALLEGRO来画PCB电路板,一般采取这种方案操作。
所以我个人建议学会ORCAD原理图设计软件就好了,这样元件库可以一直积累,而不用因为面对各种PCB软件的软件都要学习的烦恼。
版权声明:本文内容由互联网用户自发贡献,该文观点仅代表作者本人。本站仅提供信息存储空间服务,不拥有所有权,不承担相关法律责任。如发现本站有涉嫌抄袭侵权/违法违规的内容, 请发送邮件至 举报,一经查实,本站将立刻删除。
