
模型介绍:
Raspberry Pi是一款针对电脑业余爱好者、教师、小学生以及小型企业等用户的迷你电脑,预装Linux系统,体积仅信用卡大小,搭载ARM架构处理器,运算性能和智能手机相仿。
在接口方面,Raspberry Pi提供了可供键鼠使用的USB接口,此外还有快速以太网接口、SD卡扩展接口以及1个HDMI高清视频输出接口,可与显示器或者TV相连。
Raspberry Pi 3 Model B是第三代Raspberry Pi的最早型号。它于2016年2月取代了Raspberry Pi 2 Model B。
今天为大家分享一款通过SolidWorks 3D CAD 软件设计的Raspberry Pi 3 Model B模型。
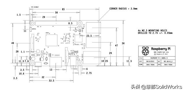
这款更新的模型具有所有顶部和底部部分,照片级纹理以及与官方Raspberry Pi文档相匹配的组件。机械尺寸取自官方文档(包含在源文件压缩包里)。
使用软件:
SolidWorks 3D CAD 设计软件(慧都是正版SW的西南区代理商,想要正版的朋友可以联系我们~)
模型部分截图:





近期,慧都举办了四月SolidWorks自动化行业应用研讨会,想要参会的朋友可以进入慧都官网或者私信小编报名,前20名免费入场!
版权声明:本文内容由互联网用户自发贡献,该文观点仅代表作者本人。本站仅提供信息存储空间服务,不拥有所有权,不承担相关法律责任。如发现本站有涉嫌抄袭侵权/违法违规的内容, 请发送邮件至 举报,一经查实,本站将立刻删除。
